Threaded Coupling Forged Fittings
![]() |
|||||
| THREADED HALF COUPLING,3000#,ASME B 16.11 | |||||
| Sr. No. | SIZE | OUTSIDE DIAMETER | END TO END COUPLING | MINIMIUM LENGTH OF THREAD | |
| (NPS) | D | W/2 | B | L2 | |
| 1 | 1/2" | 28 | 24 | 10.9 | 13.6 |
| 2 | 3/4" | 35 | 25.5 | 12.7 | 13.9 |
| 3 | 1" | 44 | 30 | 14.7 | 17.3 |
| 4 | 1 1/4" | 57 | 33.5 | 17 | 18.4 |
| 5 | 1 1/2" | 64 | 39.5 | 17.8 | 18.4 |
| 6 | 2" | 76 | 43 | 19 | 19.2 |
| 7 | 2 1/2" | 92 | 46 | 23.6 | 28.9 |
| 8 | 3" | 108 | 54 | 25.9 | 30.5 |
| 9 | 4" | 140 | 61 | 27.7 | 33 |
NOTE : 1. All Dimension are in mm unless specified
2.Dimension are as per ASME B 16.11.
3.Avg of socket wall thickness around periphery shall not be less than listed values.
![]() |
|||||
| THREADED HALF COUPLING,6000#,ASME B 16.11 | |||||
| Sr. No. | SIZE | OUTSIDE DIAMETER | END TO END COUPLING | MINIMIUM LENGTH OF THREAD | |
| (NPS) | D | W/2 | B | L2 | |
| 1 | 1/2" | 38 | 24 | 10.9 | 13.6 |
| 2 | 3/4" | 44 | 25.5 | 12.7 | 13.9 |
| 3 | 1" | 57 | 30 | 14.7 | 17.3 |
| 4 | 1 1/4" | 64 | 33.5 | 17 | 18.4 |
| 5 | 1 1/2" | 76 | 39.5 | 17.8 | 18.4 |
| 6 | 2" | 92 | 43 | 19 | 19.2 |
| 7 | 2 1/2" | 108 | 46 | 23.6 | 28.9 |
| 8 | 3" | 127 | 54 | 25.9 | 30.5 |
| 9 | 4" | 159 | 61 | 27.7 | 33 |
NOTE : 1. All Dimension are in mm unless specified
2.Dimension are as per ASME B 16.11.
3.Avg of socket wall thickness around periphery shall not be less than listed values.
![]() |
|||||
| THREADED FULL COUPLING,3000#,ASME B 16.11 | |||||
| Sr. No. | SIZE | OUTSIDE DIAMETER | END TO END COUPLING | MINIMIUM LENGTH OF THREAD | |
| (NPS) | D | W | B | L2 | |
| 1 | 1/2" | 28 | 48 | 10.9 | 13.6 |
| 2 | 3/4" | 35 | 51 | 12.7 | 13.9 |
| 3 | 1" | 44 | 60 | 14.7 | 17.3 |
| 4 | 1 1/4" | 57 | 67 | 17 | 18.4 |
| 5 | 1 1/2" | 64 | 79 | 17.8 | 18.4 |
| 6 | 2" | 76 | 86 | 19 | 19.2 |
| 7 | 2 1/2" | 92 | 92 | 23.6 | 28.9 |
| 8 | 3" | 108 | 108 | 25.9 | 30.5 |
| 9 | 4" | 140 | 121 | 27.7 | 33 |
NOTE : 1. All Dimension are in mm unless specified
2.Dimension are as per ASME B 16.11.
3.Avg of socket wall thickness around periphery shall not be less than listed values.
![]() |
|||||
| THREADED FULL COUPLING,6000#,ASME B 16.11 | |||||
| Sr. No. | SIZE | OUTSIDE DIAMETER | END TO END COUPLING | MINIMIUM LENGTH OF THREAD | |
| (NPS) | D | W | B | L2 | |
| 1 | 1/2" | 38 | 48 | 10.9 | 13.6 |
| 2 | 3/4" | 44 | 51 | 12.7 | 13.9 |
| 3 | 1" | 57 | 60 | 14.7 | 17.3 |
| 4 | 1 1/4" | 64 | 67 | 17 | 18.4 |
| 5 | 1 1/2" | 76 | 79 | 17.8 | 18.4 |
| 6 | 2" | 92 | 86 | 19 | 19.2 |
| 7 | 2 1/2" | 108 | 92 | 23.6 | 28.9 |
| 8 | 3" | 127 | 108 | 25.9 | 30.5 |
| 9 | 4" | 159 | 121 | 27.7 | 33 |
NOTE : 1. All Dimension are in mm unless specified
2.Dimension are as per ASME B 16.11.
3.Avg of socket wall thickness around periphery shall not be less than listed values.
![]() |
|||||
| Nom. Pipe Size | D | W | L1 | L2 | |
| 3000# | 6000# | ||||
| 1/4”x1/8” | 19 | 25 | 35 | 11.4 | 8.8 |
| 3/8”x1/8” | 22 | 32 | 38 | 12.4 | 8.8 |
| 3/8”x1/4” | 22 | 32 | 38 | 12.4 | 11.4 |
| 1/2”x1/8” | 28 | 38 | 48 | 14.9 | 8.8 |
| 1/2”x1/4” | 28 | 38 | 48 | 14.9 | 11.4 |
| 1/2”x3/8” | 28 | 38 | 48 | 14.9 | 12.4 |
| 3/4”x1/8” | 35 | 44 | 51 | 16.8 | 8.8 |
| 3/4”x1/4” | 35 | 44 | 51 | 16.8 | 11.4 |
| 3/4”x3/8” | 35 | 44 | 51 | 16.8 | 12.4 |
| 3/4”x1/2” | 35 | 44 | 51 | 16.8 | 14.9 |
| 1”x1/8” | 44 | 57 | 51 | 19.6 | 8.8 |
| 1x1/4” | 44 | 57 | 60 | 19.6 | 11.4 |
| 1”x3/8” | 44 | 57 | 60 | 19.6 | 12.4 |
| 1”x1/2” | 44 | 57 | 60 | 19.6 | 14.9 |
| 1”x3/4” | 44 | 57 | 60 | 19.6 | 16.8 |
| 1-1/4”x1/8” | 57 | 64 | 67 | 21.9 | 8.8 |
| 1-1/4”x1/4” | 57 | 64 | 67 | 21.9 | 11.4 |
| 1-1/4”x3/8” | 57 | 64 | 67 | 21.9 | 12.4 |
| 1-1/4”x1/2” | 57 | 64 | 67 | 21.9 | 14.9 |
| 1-1/4”x3/4” | 57 | 64 | 67 | 21.9 | 16.8 |
| 1-1/4”x1” | 57 | 64 | 67 | 21.9 | 19.6 |
| 1-1/2”x1/8” | 64 | 76 | 79 | 22.7 | 8.8 |
| 1-1/2”x1/4” | 64 | 76 | 79 | 22.7 | 11.4 |
| 1-1/2”x3/8” | 64 | 76 | 79 | 22.7 | 12.4 |
| 1-1/2”x1/2” | 64 | 76 | 79 | 22.7 | 14.9 |
| 1-1/2”x3/4” | 64 | 76 | 79 | 22.7 | 16.8 |
| 1-1/2”x1” | 64 | 76 | 79 | 22.7 | 19.6 |
| 1-1/2”x1-1/4” | 64 | 76 | 79 | 22.7 | 21.9 |
| 2”x1/8” | 76 | 92 | 86 | 23.9 | 8.8 |
| 2”x1/4” | 76 | 92 | 86 | 23.9 | 11.4 |
| 2”x3/8” | 76 | 92 | 86 | 23.9 | 12.4 |
| 2”x1/2” | 76 | 92 | 86 | 23.9 | 14.9 |
| 2”x3/4” | 76 | 92 | 86 | 23.9 | 16.8 |
| 2”x1” | 76 | 92 | 86 | 23.9 | 19.6 |
| 2”x1-1/4” | 76 | 92 | 86 | 23.9 | 21.9 |
| 2”x1-1/2” | 76 | 92 | 86 | 23.9 | 22.7 |
| 2-1/2”x1/8” | 92 | 108 | 92 | 30.5 | 8.8 |
| 2-1/2”x1/4” | 92 | 108 | 92 | 30.5 | 11.4 |
| 2-1/2”x3/8” | 92 | 108 | 92 | 30.5 | 12.4 |
| 2-1/2”x1/2” | 92 | 108 | 92 | 30.5 | 14.9 |
| 2-1/2”x3/4” | 92 | 108 | 92 | 30.5 | 16.8 |
| 2-1/2”x1” | 92 | 108 | 92 | 30.5 | 19.6 |
| 2-1/2”x1-1/4” | 92 | 108 | 92 | 30.5 | 21.9 |
| 2-1/2”x1-1/2” | 92 | 108 | 92 | 30.5 | 22.7 |
| 2-1/2”x2” | 92 | 108 | 92 | 30.5 | 23.9 |
| 3”x1/8” | 108 | 127 | 108 | 32.8 | 8.8 |
| 3”x1/4” | 108 | 127 | 108 | 32.8 | 11.4 |
| 3”x3/8” | 108 | 127 | 108 | 32.8 | 12.4 |
| 3”x1/2” | 108 | 127 | 108 | 32.8 | 14.9 |
| 3”x3/4” | 108 | 127 | 108 | 32.8 | 16.8 |
| 3”x1” | 108 | 127 | 108 | 32.8 | 19.6 |
| 3”x1-1/4” | 108 | 127 | 108 | 32.8 | 21.9 |
| 3”x1-1/2” | 108 | 127 | 108 | 32.8 | 22.7 |
| 3”x2” | 108 | 127 | 108 | 32.8 | 23.9 |
| 3”x2-1/2” | 108 | 127 | 108 | 32.8 | 30.5 |
| 4”x1/8” | 140 | 159 | 121 | 34.6 | 8.8 |
| 4”x1/4” | 140 | 159 | 121 | 34.6 | 11.4 |
| 4”x3/8” | 140 | 159 | 121 | 34.6 | 12.4 |
| 4”x1/2” | 140 | 159 | 121 | 34.6 | 14.9 |
| 4”x3/4” | 140 | 159 | 121 | 34.6 | 16.8 |
| 4”x1” | 140 | 159 | 121 | 34.6 | 19.6 |
| 4”x1-1/4” | 140 | 159 | 121 | 34.6 | 21.9 |
| 4”x1-1/2” | 140 | 159 | 121 | 34.6 | 22.7 |
| 4”x2” | 140 | 159 | 121 | 34.6 | 23.9 |
| 4”x2-1/2” | 140 | 159 | 121 | 34.6 | 30.5 |
| 4”x3” | 140 | 159 | 121 | 34.6 | 32.8 |
![]() |
||||||||||||
| DN | Nom. Pipe Size | Center to End A | Outside Diameter Of Band H | Minimum Wall Thickness G | Length of Thread (Min) | |||||||
| 2000# | 3000# | 6000# | 2000# | 3000# | 6000# | 2000# | 3000# | 6000# | B (1) | L2 (1) | ||
| 6 | 1/8” | 21 | 21 | 25 | 22 | 22 | 25 | 3.18 | 3.18 | 6.35 | 6.4 | 6.7 |
| 8 | 1/4” | 21 | 25 | 28 | 22 | 25 | 33 | 3.18 | 3.3 | 6.6 | 8.1 | 10.2 |
| 10 | 3/8” | 25 | 28 | 33 | 25 | 33 | 38 | 3.18 | 3.51 | 6.98 | 9.1 | 10.4 |
| 15 | 1/2” | 28 | 33 | 38 | 33 | 38 | 46 | 3.18 | 4.09 | 8.15 | 10.9 | 13.6 |
| 20 | 3/4” | 33 | 38 | 44 | 38 | 46 | 56 | 3.18 | 4.32 | 8.53 | 12.7 | 13.9 |
| 25 | 1” | 38 | 44 | 51 | 46 | 56 | 62 | 3.68 | 4.98 | 9.93 | 14.7 | 17.3 |
| 32 | 1-1/4” | 44 | 51 | 60 | 56 | 62 | 75 | 3.89 | 5.28 | 10.59 | 17 | 18 |
| 40 | 1-12” | 51 | 60 | 64 | 62 | 75 | 84 | 4.01 | 5.56 | 11.07 | 17.8 | 18.4 |
| 50 | 2” | 60 | 64 | 83 | 75 | 84 | 102 | 4.27 | 7.14 | 12.09 | 19 | 19.2 |
| 65 | 2-1/2” | 76 | 83 | 95 | 92 | 102 | 121 | 5.61 | 7.65 | 15.29 | 23.6 | 28.9 |
| 80 | 3” | 86 | 95 | 106 | 109 | 121 | 146 | 5.99 | 8.84 | 16.64 | 25.9 | 30.5 |
| 100 | 4” | 106 | 114 | 114 | 146 | 152 | 152 | 6.55 | 11.18 | 18.67 | 27.7 | 33 |
(1) Dimension B is minimum length of perfect thread. The length of useful thread (B plus threads with fully formed roots and flat crests) shall not be less than L2 (effective length of external thread) required by American National Standard for pipe threads (ANSI / ASME B1.20.1).
(2) Dimension in accordance with ASME B16.11-2011.
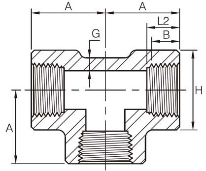
![]() |
||||||||||||
| DN | Nom. Pipe Size | Center to End C | Outside Diameter Of Band H | Minimum Wall Thickness G | Length of Thread (Min) | |||||||
| 2000# | 3000# | 6000# | 2000# | 3000# | 6000# | 2000# | 3000# | 6000# | B (1) | L2 (1) | ||
| 6 | 1/8” | 17 | 17 | 19 | 22 | 22 | 25 | 3.18 | 3.18 | 6.35 | 6.4 | 6.7 |
| 8 | 1/4” | 17 | 19 | 22 | 22 | 25 | 33 | 3.18 | 3.3 | 6.6 | 8.1 | 10.2 |
| 10 | 3/8” | 19 | 22 | 25 | 25 | 33 | 38 | 3.18 | 3.51 | 6.98 | 9.1 | 10.4 |
| 15 | 1/2” | 22 | 25 | 28 | 33 | 38 | 46 | 3.18 | 4.09 | 8.15 | 10.9 | 13.6 |
| 20 | 3/4” | 25 | 28 | 33 | 38 | 46 | 56 | 3.18 | 4.32 | 8.53 | 12.7 | 13.9 |
| 25 | 1” | 28 | 33 | 35 | 46 | 56 | 62 | 3.68 | 4.98 | 9.93 | 14.7 | 17.3 |
| 32 | 1-1/4” | 33 | 35 | 43 | 56 | 62 | 75 | 3.89 | 5.28 | 10.59 | 17 | 18 |
| 40 | 1-1/2” | 35 | 43 | 44 | 62 | 75 | 84 | 4.01 | 5.56 | 11.07 | 17.8 | 18.4 |
| 50 | 2” | 43 | 44 | 52 | 75 | 84 | 102 | 4.27 | 7.14 | 12.09 | 19 | 19.2 |
| 65 | 2-1/2” | 52 | 52 | 64 | 92 | 102 | 121 | 5.61 | 7.65 | 15.29 | 23.6 | 28.9 |
| 80 | 3” | 64 | 64 | 79 | 109 | 121 | 146 | 5.99 | 8.84 | 16.64 | 25.9 | 30.5 |
| 100 | 4” | 79 | 79 | 79 | 146 | 152 | 152 | 6.55 | 11.18 | 18.67 | 27.7 | 33 |
(1) Dimension B is minimum length of perfect thread. The length of useful thread (B plus threads with fully formed roots and flat crests) shall not be less than L2 (effective length of external thread) required by American National Standard for pipe threads (ANSI / ASME B1.20.1).
(2) Dimension in accordance with ASME B16.11-2011.
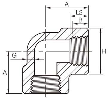
![]() |
||||||||||||||
| DN | Nom. Pipe Size | H | A | J | G1 (Min) | G2 (1) (Min) | B (2) (Min) | L2 (2) (Min) | L (Min) | |||||
| 3000# | 6000# | 3000# | 6000# | 3000# | 6000# | 3000# | 6000# | 3000# | 6000# | |||||
| 6 | 1/8” | 19 | 25 | 19 | 22 | 25 | 32 | 3.18 | 5.08 | 2.74 | 4.22 | 6.4 | 6.7 | 10 |
| 8 | 1/4” | 25 | 32 | 22 | 25 | 32 | 38 | 3.3 | 5.66 | 3.22 | 5.28 | 8.1 | 10.2 | 11 |
| 10 | 3/8” | 32 | 38 | 25 | 28 | 38 | 41 | 3.5 | 6.98 | 3.5 | 5.59 | 9.1 | 10.4 | 13 |
| 15 | 1/2” | 38 | 44 | 28 | 35 | 41 | 48 | 4.09 | 8.15 | 4.16 | 6.53 | 10.9 | 13.6 | 14 |
| 20 | 3/4” | 44 | 51 | 35 | 44 | 48 | 57 | 4.32 | 8.53 | 4.88 | 6.86 | 12.7 | 13.9 | 16 |
| 25 | 1” | 51 | 62 | 44 | 51 | 57 | 66 | 4.98 | 9.93 | 5.56 | 7.95 | 14.7 | 17.3 | 19 |
| 32 | 1-1/4” | 62 | 70 | 51 | 54 | 66 | 71 | 5.28 | 10.59 | 5.56 | 8.48 | 17 | 18 | 21 |
| 40 | 1-1/2” | 70 | 84 | 54 | 64 | 71 | 84 | 5.56 | 11.07 | 6.25 | 8.89 | 17.8 | 18.4 | 21 |
| 50 | 2” | 84 | 102 | 64 | 83 | 84 | 105 | 7.14 | 12.09 | 7.64 | 9.7 | 19 | 19 | 22 |
Note:
(1) Wall thickness before threading.
(2) Dimension B is minimum length of perfect thread. The length of useful thread (B plus threads with fully formed roots and flat crests) shall not be less than L2 (effective length of external thread) required by American National Standard for pipe threads (ANSI / ASME B1.20.1).
(3) Dimensions in accordance with ASME B16.11-2011.
![]() |
||||||||||||
| DN | Nom. Pipe Size | Center to End A | Outside Diameter Of Band H | Minimum Wall Thickness G | Length of Thread (Min) | |||||||
| 2000# | 3000# | 6000# | 2000# | 3000# | 6000# | 2000# | 3000# | 6000# | B (1) | L2 (1) | ||
| 6 | 1/8” | 21 | 21 | 25 | 22 | 22 | 25 | 3.18 | 3.18 | 6.35 | 6.4 | 6.7 |
| 8 | 1/4” | 21 | 25 | 28 | 22 | 25 | 33 | 3.18 | 3.3 | 6.6 | 8.1 | 10.2 |
| 10 | 3/8” | 25 | 28 | 33 | 25 | 33 | 38 | 3.18 | 3.51 | 6.98 | 9.1 | 10.4 |
| 15 | 1/2” | 28 | 33 | 38 | 33 | 38 | 46 | 3.18 | 4.09 | 8.15 | 10.9 | 13.6 |
| 20 | 3/4” | 33 | 38 | 44 | 38 | 46 | 56 | 3.18 | 4.32 | 8.53 | 12.7 | 13.9 |
| 25 | 1” | 38 | 44 | 51 | 46 | 56 | 62 | 3.68 | 4.98 | 9.93 | 14.7 | 17.3 |
| 32 | 1-1/4” | 44 | 51 | 60 | 56 | 62 | 75 | 3.89 | 5.28 | 10.59 | 17 | 18 |
| 40 | 1-1/2” | 51 | 60 | 64 | 62 | 75 | 84 | 4.01 | 5.56 | 11.07 | 17.8 | 18.4 |
| 50 | 2” | 60 | 64 | 83 | 75 | 84 | 102 | 4.27 | 7.14 | 12.09 | 19 | 19.2 |
| 65 | 2-1/2” | 76 | 83 | 95 | 92 | 102 | 121 | 5.61 | 7.65 | 15.29 | 23.6 | 28.9 |
| 80 | 3” | 86 | 95 | 106 | 109 | 121 | 146 | 5.99 | 8.84 | 16.64 | 25.9 | 30.5 |
| 100 | 4” | 106 | 114 | 114 | 146 | 152 | 152 | 6.55 | 11.18 | 18.67 | 27.7 | 33 |
Note:
(1) Dimension B is minimum length of perfect thread. The length of useful thread (B plus threads with fully formed roots and flat crests) shall not be less than L2 (effective length of external thread) required by American National Standard for pipe threads (ANSI / ASME B1.20.1).
(2) Dimensions in accordance with ASME B16.11-2011.
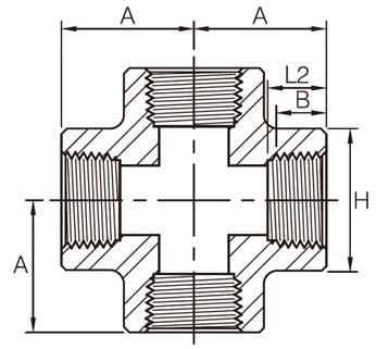
![]() |
||||||||||||
| Nom. Pipe Size |
A | E | G (Min) |
H | Length of Thread (Min) | |||||||
| 2000# | 3000# | 2000# | 3000# | 2000# | 3000# | 2000# | 3000# | B (1) | L2 (1) | |||
| 1/2” | 46 | 55 | 20 | 23 | 3.18 | 4.09 | 33 | 38 | 10.9 | 13.6 | ||
| 3/4” | 55 | 65 | 23 | 26 | 3.18 | 4.32 | 38 | 46 | 12.7 | 13.9 | ||
| 1” | 65 | 73 | 26 | 31 | 3.68 | 4.98 | 46 | 56 | 14.7 | 17.3 | ||
| 1-1/4” | 73 | 82 | 31 | 35 | 3.89 | 5.28 | 56 | 62 | 17.0 | 18.0 | ||
| 1-1/2” | 82 | 113 | 35 | 42 | 4.01 | 5.56 | 62 | 75 | 17.8 | 18.4 | ||
| 2” | 113 | 136 | 42 | 56 | 4.27 | 7.14 | 75 | 84 | 19.0 | 19.2 | ||
| 2-1/2” | 136 | - | 56 | - | 5.61 | - | 92 | - | 23.6 | 28.9 | ||
Note:
(1) Dimension B is minimum length of perfect thread. The length of useful thread (B plus threads with fully formed roots and flat crests) shall not be less than L2 (effective length of external thread) required by American National Standard for pipe threads (ANSI / ASME B1.20.1).
(2) Dimensions in accordance with ASME B16.11-2011.
![]() |
||||||||||||
| DN | Nom. Pipe Size | Center to End A | Outside Diameter Of Band H | Minimum Wall Thickness G | Length of Thread (Min) | |||||||
| 2000# | 3000# | 6000# | 2000# | 3000# | 6000# | 2000# | 3000# | 6000# | B (1) | L2 (1) | ||
| 6 | 1/8” | 21 | 21 | 25 | 22 | 22 | 25 | 3.18 | 3.18 | 6.35 | 6.4 | 6.7 |
| 8 | 1/4” | 21 | 25 | 28 | 22 | 25 | 33 | 3.18 | 3.3 | 6.6 | 8.1 | 10.2 |
| 10 | 3/8” | 25 | 28 | 33 | 25 | 33 | 38 | 3.18 | 3.51 | 6.98 | 9.1 | 10.4 |
| 15 | 1/2” | 28 | 33 | 38 | 33 | 38 | 46 | 3.18 | 4.09 | 8.15 | 10.9 | 13.6 |
| 20 | 3/4” | 33 | 38 | 44 | 38 | 46 | 56 | 3.18 | 4.32 | 8.53 | 12.7 | 13.9 |
| 25 | 1” | 38 | 44 | 51 | 46 | 56 | 62 | 3.68 | 4.98 | 9.93 | 14.7 | 17.3 |
| 32 | 1-1/4” | 44 | 51 | 60 | 56 | 62 | 75 | 3.89 | 5.28 | 10.59 | 17 | 18 |
| 40 | 1-1/2” | 51 | 60 | 64 | 62 | 75 | 84 | 4.01 | 5.56 | 11.07 | 17.8 | 18.4 |
| 50 | 2” | 60 | 64 | 83 | 75 | 84 | 102 | 4.27 | 7.14 | 12.09 | 19 | 19.2 |
| 65 | 2-1/2” | 76 | 83 | 95 | 92 | 102 | 121 | 5.61 | 7.65 | 15.29 | 23.6 | 28.9 |
| 80 | 3” | 86 | 95 | 106 | 109 | 121 | 146 | 5.99 | 8.84 | 16.64 | 25.9 | 30.5 |
| 100 | 4” | 106 | 114 | 114 | 146 | 152 | 152 | 6.55 | 11.18 | 18.67 | 27.7 | 33 |
Note:
(1) Dimension B is minimum length of perfect thread. The length of useful thread (B plus threads with fully formed roots and flat crests) shall not be less than L2 (effective length of external thread) required by American National Standard for pipe threads (ANSI / ASME B1.20.1).
(2) Dimensions in accordance with ASME B16.11-2011.
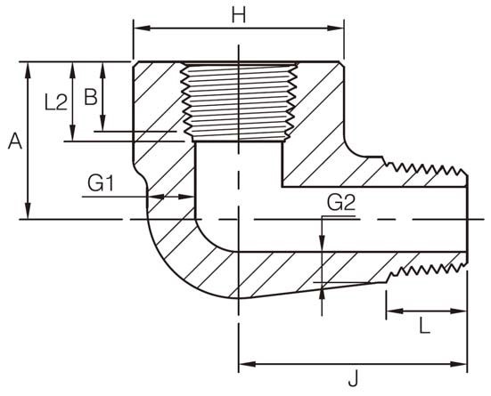
![]() |
||||||||
| DN | Nom. Pipe Size | N | Q | M | E | Length of Thread (Min) | ||
| 3000# | 6000# | B (1) | L2 (1) | |||||
| 8 | 1/4” | 17.5 | 9.5 | 30.2 | 23.8 | 25.4 | 8.1 | 10.2 |
| 10 | 3/8” | 20.7 | 9.5 | 30.2 | 27 | 31.8 | 9.1 | 10.4 |
| 15 | 1/2” | 23.8 | 9.5 | 33.4 | 33.4 | 38.1 | 10.9 | 13.6 |
| 20 | 3/4” | 27 | 9.5 | 34.9 | 38.1 | 44.5 | 12.7 | 13.9 |
| 25 | 1” | 33.4 | 9.5 | 42.9 | 46.1 | 57.2 | 14.7 | 17.3 |
| 32 | 1-1/4” | 42.9 | 9.5 | 47.6 | 55.6 | 63.5 | 17 | 18 |
| 40 | 1-1/2” | 49.2 | 9.5 | 50.8 | 63.5 | 76.2 | 17.8 | 18.4 |
| 50 | 2” | 61.9 | 9.5 | 57.2 | 79.4 | 92.1 | 19 | 19.2 |
| 65 | 2-1/2” | 73 | 9.5 | 63.5 | 92.1 | 108 | 23.6 | 28.9 |
| 80 | 3” | 88.9 | 9.5 | 69.9 | 111.1 | 127 | 25.9 | 30.5 |
| 100 | 4” | 114.3 | 9.5 | 76.2 | 141.3 | 158.8 | 27.7 | 33 |
Note:
(1) Dimension B is minimum length of perfect thread. The length of useful thread (B plus threads with fully formed roots and flat crests) shall not be less than L2 (effective length of external thread) required by American National Standard for pipe threads (ANSI / ASME B1.20.1).
(2) Dimensions in accordance with ASME B16.11-2011.
![]() |
|||||||||
| DN | Nom. Pipe | End to End P | Outside Diameter D | End Wall Thickness G (Min) | Length of Thread (Min) | ||||
| Size | 3000# | 6000# | 3000# | 6000# | 3000# | 6000# | B (1) | L2 (1) | |
| 6 | 1/8” | 19 | - | 16 | - | 4.8 | - | 6.4 | 6.7 |
| 8 | 1/4” | 25 | 27 | 19 | 25 | 4.8 | 6.4 | 8.1 | 10.2 |
| 10 | 3/8” | 25 | 27 | 22 | 32 | 4.8 | 6.4 | 9.1 | 10.4 |
| 15 | 1/2” | 32 | 33 | 28 | 38 | 6.4 | 7.9 | 10.9 | 13.6 |
| 20 | 3/4” | 37 | 38 | 35 | 44 | 6.4 | 7.9 | 12.7 | 13.9 |
| 25 | 1” | 41 | 43 | 44 | 57 | 9.7 | 11.2 | 14.7 | 17.3 |
| 32 | 1-1/4” | 44 | 46 | 57 | 64 | 9.7 | 11.2 | 17 | 18 |
| 40 | 1-1/2” | 44 | 48 | 64 | 76 | 11.2 | 12.7 | 17.8 | 18.4 |
| 50 | 2” | 48 | 51 | 76 | 92 | 12.7 | 15.7 | 19 | 19.2 |
| 65 | 2-1/2” | 60 | 64 | 92 | 108 | 15.7 | 19 | 23.6 | 28.9 |
| 80 | 3” | 65 | 68 | 108 | 127 | 19 | 22.4 | 25.9 | 30.5 |
| 100 | 4” | 68 | 75 | 140 | 159 | 22.4 | 28.4 | 27.7 | 33 |
Note:
(1) Dimension B is minimum length of perfect thread. The length of useful thread (B plus threads with fully formed roots and flat crests) shall not be less than L2 (effective length of external thread) required by American National Standard for pipe threads (ANSI / ASME B1.20.1).
(2) Dimensions in accordance with ASME B16.11-2011.
![]() |
||||
| DN | Nom. Pipe Size | Length (Min) A | Height of Square (Min) B | Width Flat (Min) C |
| 6 | 1/8” | 10 | 6 | 7.15 |
| 8 | 1/4” | 11 | 6 | 9.55 |
| 10 | 3/8” | 13 | 8 | 11.11 |
| 15 | 1/2” | 14 | 10 | 14.29 |
| 20 | 3/4” | 16 | 11 | 15.88 |
| 25 | 1” | 19 | 13 | 20.64 |
| 32 | 1-1/4” | 21 | 14 | 23.81 |
| 40 | 1-1/2” | 21 | 16 | 28.58 |
| 50 | 2” | 22 | 18 | 33.34 |
| 65 | 2-1/2” | 27 | 19 | 38.1 |
| 80 | 3” | 28 | 21 | 42.86 |
| 100 | 4” | 32 | 25 | 63.5 |
Note:
(1) Dimensions in accordance with ASME B16.11-2011.
![]() |
|||
| DN | Nom. Pipe Size | Diameter of Head (Nom.) E | Length (Min) D |
| 6 | 1/8” | 10 | 35 |
| 8 | 1/4” | 14 | 41 |
| 10 | 3/8” | 18 | 41 |
| 15 | 1/2” | 21 | 44 |
| 20 | 3/4” | 27 | 44 |
| 25 | 1” | 33 | 51 |
| 32 | 1-1/4” | 43 | 51 |
| 40 | 1-1/2” | 48 | 51 |
| 50 | 2” | 60 | 64 |
| 65 | 2-1/2” | 73 | 70 |
| 80 | 3” | 89 | 70 |
| 100 | 4” | 114 | 76 |
Note:
(1) Dimensions in accordance with ASME B16.11-2011.
![]() |
||||
| DN | Nom. Pipe Size | Length (Min) A | Width Flat (Nom.) F | Hex Height (Min) H |
| 6 | 1/8” | 10 | 11.11 | 6 |
| 8 | 1/4” | 11 | 15.88 | 6 |
| 10 | 3/8” | 13 | 17.46 | 8 |
| 15 | 1/2” | 14 | 22.23 | 8 |
| 20 | 3/4” | 16 | 26.99 | 10 |
| 25 | 1” | 19 | 34.93 | 10 |
| 32 | 1-1/4” | 21 | 44.45 | 14 |
| 40 | 1-1/2” | 21 | 50.8 | 16 |
| 50 | 2” | 22 | 63.5 | 18 |
| 65 | 2-1/2” | 27 | 76.2 | 19 |
| 80 | 3” | 28 | 88.9 | 21 |
| 100 | 4” | 32 | 117.48 | 25 |
Note:
(1) Dimensions in accordance with ASME B16.11-2011.